
bnc母头焊线式同轴连接器直式180度接线

产品规格
| 温度范围 | -55~+155°C(PE?Cable?-40~+85°C) |
| 环境温度 | ≦95%(40°C±2°C) |
| 特性阻抗 | 75Ω |
| 频率范围 | DC~3GHz |
| 工作电压 | 500Vr.m.s |
| 耐压 | 1500Vr.m.s |
| 中心接触电阻 | <=1.5mΩ |
| 外导体电阻 | <=1mΩ |
| 绝缘电阻 | >=?5000?MΩ |
| 中心导体保持力 | >=?0.57N |
| 插入损耗 | 0.20dB/3GHz |
| 电压驻波比?直式 | <=1.22/3GHz |
| 电压驻波比?弯式 | <=1.30/3GHz |
| 耐用性 | >=500次 |
注释:具体规格参考图纸
| 类型 | 材料 | 表面处理 |
| 主体 | 锌 | 镀镍 |
| 绝缘体 | POM | 白色 |
| 中心针 | 黄铜 | 镀镍 |
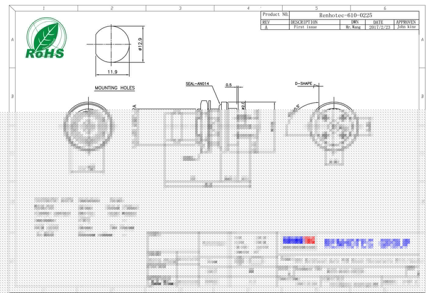
产品图纸

包装与运输
| 发货地 | 广东省东莞 |
| 付款方式 | 支付宝、微信、银行汇款 |
| 常规交货期 | 7-10天 |
| 运输方式 | 快递/物流 |
| 包装方式 | 吸塑盒+纸箱/?PE袋+纸箱 |
| 箱规 | 39.5*24.5*19.5cm |
| 49.5*24.5*19.5cm | |
| 47*41*21cm | |
| 34*34*30cm |


